结核病(tuberculosis)是由结核杆菌引起的一种慢性传染病。全身各器官均可发生,但以肺结核最为多见。其病变特征是结核结节形成并伴有不同程度的干酪样坏死。
【病因和发病机制】
结核病的病原菌是结核杆菌,对人致病的主要类型为人型和牛型。结核杆菌含有脂质、蛋白和多糖类三种成分:①脂质:特别是脂质中的糖脂更为重要。糖脂的衍生物之一称索状因子(cord factor),能使结核杆菌在培养基上生长时呈蜿蜒索状排列。这种形式生长的结核杆菌在动物体内具有毒力。另一种糖脂为蜡质D(wax D),将其与结核菌体蛋白一起注入动物体内,能引起强烈的变态反应,造成机体的损伤。此外,磷脂还能使炎症灶中的巨噬细胞转变为类上皮细胞,从而形成结核结节。脂质除可能与毒力有关外,还可保护菌体不易被巨噬细胞消化。②蛋白:具有抗原性,与蜡质D结合后能使机体发生变态反应,引起组织坏死和全身中毒症状,并在形成结核结节中发挥一定的作用。③多糖类:可引起局部中性粒细胞浸润,并可作为半抗原参与免疫反应。
结核病主要经呼吸道传染。肺结核(主要是空洞型肺结核)病人在谈话、咳嗽和喷嚏时,从呼吸道排出大量带菌微滴(每个微滴可含10~20个细菌)。吸进这些带菌的微滴即可造成感染。少数病人可因食入带菌的食物经消化道感染。细菌经皮肤伤口感染者极少见。
结核病的发生和发展取决于很多因素,其中最重要的是感染的菌量及其毒力的大小和机体的反应性(免疫反应或变态反应)。后者在结核病的发病学上起着特别重要的作用。
目前一般认为,结核病的免疫反应以细胞免疫为主,即T细胞起主要作用。它在受到结核菌的抗原刺激后可转化为致敏的淋巴细胞。当再次与结核杆菌相遇时,致敏的淋巴细胞可很快分裂、增殖,并释放出各种淋巴因子,如巨噬细胞趋化因子、集聚因子、移动抑制因子和激活因子等。这些因子可使巨噬细胞移向结核杆菌,并聚集于该处不再移动,这样就能把结核杆菌限制在局部不致扩散。同时还激活了巨噬细胞,使巨噬细胞体积增大,伪足形成活跃,溶酶体含量增加,细胞内pH下降等。这些改变有助于使吞入的细菌更易被水解、消化和杀灭。此外,激活后的T细胞还可释放其他淋巴因子,加强这一免疫反应,如结核杆菌的生长抑制因子能通过巨噬细胞特异性地抑制细胞内结核杆菌的繁殖而获得免疫。结核结节的形成就是上述各种反应的具体形态学表现。
结核病时发生的变态反应属于IV型(迟发性)变态反应。结核菌素试验就是这种反应的表现,本质上亦为细胞免疫反应。
结核病免疫反应和变态反应常同时发生并相伴出现,但两者关系如何及其对结核病的发生、发展有何影响等问题,长期来尚未解决。在结核病的诊断方面,基因诊断作为结核菌的非培养诊断技术是近年来结核病快速诊断的一项重大突破。它乃借分析结核菌的遗传物质核酸而特异,敏感、快速地检测和鉴定结核杆菌。目前用于结核菌检测和鉴定的基因诊断方法有基因探针技术、染色体指纹技术和PCR技术。
【结核病的基本病变】
结核杆菌在机体内引起的病变属于特殊性炎症,虽其病变具有一般炎症的渗出、坏死和增生三种基本变化,但有其特异性。由于机体的反应性(免疫反应和变态反应)、菌量及毒力和组织特性的不同,可出现以下不同的病变类型:
1.渗出为主的病变 出现在结核性炎症的早期或机体免疫力低下,菌量多、毒力强,或变态反应较强时,表现为浆液性或浆液纤维素性炎。早期病灶内有中性粒细胞浸润,但很快被巨噬细胞取代。在渗出液和巨噬细胞内易查见结核杆菌。此型变化好发于肺、浆膜、滑膜和脑膜等处,说明与组织结构特性亦有一定的关系。渗出性变化可完全吸收不留痕迹,或转变为以增生为主或以坏死为主的病变。
2.增生为主的变化 当菌量较少,毒力较低或人体免疫反应较强时,则发生以增生为主的变化,形成具有一定诊断特征的结核结节(结核性肉芽肿)。单个结核结节肉眼不易看见,三、四个结节融合成较大结节时才能见到。其境界分明,约粟粒大小,呈灰白半透明状,有干酪样坏死时则略呈黄色,可微隆起于器官表面。
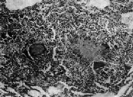
结核结节(tubercle)是在细胞免疫基础上形成的,由类上皮细胞(epithelioid cell)、Langhans巨细胞加上外围局部集聚的淋巴细胞和少量反应性增生的纤维母细胞构成。当有较强的变态反应发生时,结核结节中便出现干酪样坏死。巨噬细胞体积增大逐渐转变为类上皮细胞,呈梭形或多角形,胞浆丰富,染淡伊红色,境界不清。核呈圆或卵圆形,染色质甚少,甚至可呈空泡状,核内可有1~2个核仁。多数类上皮细胞互相融合乃形成Langhans巨细胞,为一种多核巨细胞,体积很大,直径可达300μm,胞浆丰富,核与类上皮细胞核的形态大致相同,核数由十几个到几十个不等,有超过百个者。核排列在胞浆的周围呈花环状、马蹄形或密集在胞体的一端(图18-1)。

图18-1 结核性肉芽肿
结节中央为干酪样坏死,周围绕有类上皮细胞、Langhans巨细胞以及淋巴细胞等
3.坏死为主的变化 在结核杆菌数量多、毒力强,机体抵抗力低或变态反应强烈的情况下,上述渗出性和增生性病变均可继发干酪样坏死。病变一开始便呈现干酪样坏死者十分少见。由于坏死组织含脂质较多(脂质来自破坏的结核杆菌和脂肪变性的单核细胞)而呈淡黄色,均匀细腻,质地较实,状似奶酪,故称干酪样坏死。镜下见为红染无结构的颗粒状物。干酪样坏死的形态特点,特别是肉眼所见对结核病的病理诊断具有一定的意义。干酪样坏死物中大都含有一定量的结核杆菌。
干酪样坏死灶内含有多量抑制酶活性的物质,故坏死物可不发生自溶、排出,也不易被吸收。但有时也能发生软化和液化,形成半流体物质。随着液化,结核杆菌大量繁殖,更进一步促进液化的发生。液化固有利于干酪样坏死物的排出,但更重要的是可成为结核菌在体内蔓延扩散的来源,是结核病恶化进展的原因。
以上渗出、增生和坏死三种变化往往同时存在而以某一种改变为主,而且可互相转化。例如渗出性病变可因适当治疗或机体免疫力增强而转化为增生性病变;反之,在机体免疫力下降或处于较强的变态反应状态时,原来的增生性病变则可转变为渗出性、坏死性病变,或原来的渗出性病变转化为坏死性病变。因此,在同一器官或不同器官中的结核病变是复杂多变的。
【结核病基本病变的转化规律】
结核病变的发展和结局取决于机体抵抗力和结核菌致病力之间的矛盾关系。当人体抵抗力增强时,细菌逐渐被控制而消灭,结核病变转向愈复;反之,则转向恶化。
1.转向愈复 主要表现为病变的吸收消散、纤维化、纤维包裹和钙化。
(1)吸收消散:为渗出性病变的主要愈复方式。渗出物逐渐通过淋巴道吸收,病灶缩小或完全吸收消散。较小的干酪样坏死灶和增生性病变如治疗得当也可被吸收。
(2)纤维化、纤维包裹及钙化:增生性结核结节转向愈复时,其中的类上皮细胞逐渐萎缩,结节周围的增生纤维母细胞长入结核结节形成纤维组织,使结节纤维化。未被完全吸收的渗出性病变也可通过机化而发生纤维化。小的干酪样坏死灶(1~2mm)可完全纤维化;较大者难以完全纤维化而由坏死灶周围的纤维组织增生,将干酪样坏死物质加以包裹,以后干酪样坏死逐渐干燥浓缩,并有钙质沉着而发生钙化。
病灶发生纤维化后,一般已无结核杆菌存活,可谓完全痊愈。在被包裹、钙化的干酪样坏死灶中仍有少量细菌存活,病变只处于相对静止状态(临床痊愈),当机体抵抗力下降时病变可复燃进展。
2.转向恶化 主要表现为病灶扩大和溶解播散。
(1)病灶扩大:病变恶化进展时,在病灶周围出现渗出性病变(病灶周围炎),其范围不断扩大,并继而发生干酪样坏死。坏死区又随渗出性病变的扩延而增大。
(2)溶解播散:干酪样坏死物发生溶解液化后,可经体内的自然管道(如支气管、输尿管等)排出,致局部形成空洞。空洞内液化的干酪样坏死物中含有大量结核杆菌,可通过自然管道播散到其他部位,引起新的病灶。如肺结核性空洞通过支气管播散可在同侧或对侧肺内形成多数新的以渗出、坏死为主的结核病灶。此外,结核杆菌还可通过淋巴道蔓延到淋巴结,经血道播散至全身,在各器官内形成多数结核病灶。
结核杆菌的感染途径主要是呼吸道,故结核病中最常见的是肺结核病。肺结核病可因初次感染和再次感染结核菌时机体反应性的不同,而致肺部病变的发生发展各有不同的特点,从而可分为原发性和继发性肺结核病两大类。
(一)原发性肺结核病
第一次感染结核杆菌所引起的肺结核病称原发性肺结核病,多发生于儿童,故又称儿童型肺结核病。但也偶见于未感染过结核杆菌的青少年或成人。
1.病变特点结核杆菌被吸入肺后,最先引起的病变称为原发灶。原发灶通常只有一个,偶尔也有二个甚至二个以上者。常位于通气较好的上叶下部或下叶上部靠近肺膜处。以右肺多见。病变开始时是渗出性变化,继而发生干酪样坏死,坏死灶周围有结核性肉芽组织形成。肉眼上,原发灶常呈圆形,直径多在1cm左右,色灰黄。结核杆菌很快侵入淋巴管,循淋巴流到所属肺门淋巴结,引起结核性淋巴管炎和淋巴结炎。表现为淋巴结肿大和干酪样坏死。肺的原发灶、淋巴管炎和肺门淋巴结结核三者合称为原发综合征(primary complex)(图18-2),是原发性肺结核病的病变特点。

图18-2 肺结核病原发综合征
右侧肺膜下白色病灶为原发性,肺门部圆形白色病灶为干酪样变的肺门淋巴结
原发性肺结核病的症状轻微而短暂,常无明显的体征,很多患儿均在不知不觉中度过,仅表现结核菌素试验阳性。少数病变较重者,可出现倦怠、食欲减退、潮热和盗汗等中毒症状,但很少有咳嗽、咯血等呼吸道症状。
2.发展和结局 绝大多数(98%)原发性肺结核病患者由于机体免疫力逐渐增强而自然痊愈。小的病灶可完全吸收或纤维化,较大的干酪样坏死灶则发生纤维包裹和钙化(图18-3)。

图18-3 肺内钙化的肺结核原发灶
有时肺内原发病灶虽已愈合,而肺门淋巴结内的病变继续发展,结核菌通过淋巴道蔓延至附近淋巴结,使肺门附近更多的淋巴结受累,形成支气管淋巴结结核。经适当治疗后这些病灶仍可包裹、钙化而痊愈。
少数患儿在此时因营养不良或患其他传染病(如流感、麻疹、百日咳、白喉等),使机体抵抗力下降,病变因而恶化,肺内及肺门淋巴结病变继续扩大,并通过以下的途径播散(图18-4)。

图18-4 肺原发性结核病播散途径示意图
(1)淋巴道播散:肺门淋巴结病变恶化进展时结核杆菌可经淋巴管到达气管分叉处、气管旁、纵隔及锁骨上、下淋巴结引起病变(图18-5)。如果淋巴管因结核病变而被阻塞,结核菌则可逆流到达腹膜后及肠系膜淋巴结。预淋巴结亦可受累而肿大,此时喉头或扁桃体多有结核病灶存在。病变淋巴结肿大,出现干酪样坏死,并可互相粘连形成肿块。

图18-5 肺结核原发综合征和肺门淋巴结结核
原发灶扩大,肺门淋巴结高度肿大,干酪化
(2)血道播散:结核杆菌侵入血流后经血道播散。若进入血流的菌量较少而机体的免疫力很强,则往往不致引起明显病变。如有大量细菌侵入血流,机体免疫力较弱时,则可引起血源性结核病。
(3)支气管播散:肺原发灶的干酪样坏死范围扩大,侵及相连的支气管,液化之坏死物质可通过支气管排出,形成空洞。同时,含有大量结核杆菌的液化坏死物还可沿支气管播散,引起邻近或远隔的肿组织发生多数小叶性干酪样肺炎灶。肺门淋巴结干酪样坏死亦可侵破支气管而造成支气管播散(图18-6)。但原发性肺结核病形成空洞和发生支气管播散者较少见。

图18-6 肺结核支气管播散
图中箭头示干酪化的气管分叉淋巴结溃穿支气管,引起两侧小叶性干酪样肺炎及空洞形成
肺结核原发综合征恶化进展发生血道播散时,引起的血源性结核病有以下三种类型:
1)全身粟粒性结核病:当肺原发灶中的干酪样坏死灶扩大,破坏了肺静脉分支,大量结核杆菌由肺静脉经左心至大循环,可播散到全身各器官如肺、脑、脑膜、肝、脾、肾等处,形成粟粒性结核,称为急性全身性粟粒性结核病。肉眼见各器官内密布大小一致、分布均匀、灰白带黄、圆形的粟粒大小之结核结节。镜下,可为含菌较少的增生性病变,也可为含菌很多的渗出、坏死性病变。临床上,病情危重,有高热、衰竭、食欲不振、盗汗、烦躁不安等明显中毒症状,肝脾肿大,常有脑膜刺激征。若能及时治疗预后仍属良好,少数病例可因结核性脑膜炎死亡。
在机体抵抗力极差或用大量激素、免疫抑制药物或细胞毒性药物后,可发生严重的结核性败血症,为最剧烈的急性血源性全身性结核病,患者常迅速死亡。尸检时,在各器官内见无数小坏死灶,灶内含很多结核杆菌,灶周几乎无细胞反应可见,因而有无反应性结核病之称。此种病人可出现类似白血病的血像,称类白血病反应(leukemoid reaction)。
2)肺粟粒性结核病:又称血行播散型肺结核病。急性粟粒性肺结核病常是全身粟粒性结核病的一部分。偶尔,病变也可仅局限于两侧肺内。这是由于支气管周围肺门或纵隔淋巴结干酪样坏死破入附近的静脉(如无名静脉、颈内静脉、上腔静脉),含大量结核菌的液化物经右心和肺动脉播散至双肺所引起。肉眼观,双肺充血,重量增加,切面暗红,密布灰白或灰黄色粟粒大小的结节,微隆起于切面(图18-7),并显露于肺膜表面。

图18-7 肺粟粒性结核病
图中白色点状病灶为粟粒性结核灶
慢性粟粒性肺结核病多见于成年人,这时肺原发综合征业已钙化痊愈,结核杆菌由肺外(骨关节、泌尿生殖道及肾上腺等处)结核病灶较长期、间歇性地进入血流,播散于肺内,形成新旧不等的病变。间隔时间可为数月甚至数年。患者多因结核性脑膜炎死亡。
3)肺外器官结核病:或称肺外结核病,大多是原发性肺结核病经血道播散的后果。在原发综合征期间如有少量结核杆菌经原发灶内的毛细血管侵入血流,则能在肺外某些器官(骨关节,泌尿生殖器官、神经系统、浆膜、皮肤等)内形成个别的结核病灶。这些病灶可自愈或潜伏下来,经过较长时间后,当机体抵抗力下降时乃恶化进展为肺外器官结核病。
(二)继发性肺结核病
继发性肺结核病(secondary pulmonary tuberculosis)是指再次感染结核菌所引起的肺结核病,多见于成年人,故又称成人型肺结核病。肺内的病变常开始于肺尖,称再感染灶。关于再感染灶的形成机制有以下两种学说:①外源性再感染学说,认为继发性肺结核的发病是由外界重新感染所致,与原发性肺结核无任何联系;②内源性再感染学说,认为继发性肺结核病的再感染灶大多是由原发性肺结核病血源性播散时在肺尖部形成的病灶。在机体免疫力下降时,潜伏的病灶可发展为继发性肺结核病。此外,也可是肺内未愈合的原发灶内的结核菌经小支气管蔓延或由肺外器官结核病灶内的结核菌经血道播散至肺的结果。
继发性肺结核病患者对结核杆菌已有一定的免疫力或过敏性,所以继发性肺结核病与原发性肺结核病的病变有以下不同特点:①病变多从肺尖开始,这可能与人体直立位时该处动脉压低、血循环较差,随血流带去的巨噬细胞较少,加之通气不畅,以致局部组织抵抗力较低,细菌易在该处繁殖有关。②由于变态反应,病变发生迅速而且剧烈,易发生干酪样坏死,同时由于免疫反应较强,在坏死灶周围每有以增生为主的病变,形成结核结节。免疫反应不仅能使病变局限化,而且还可抑制细菌的繁殖,防止细菌沿淋巴道和血道播散,因此肺门淋巴结一般无明显病变,由血源播散而引起全身粟粒性结核病者亦极少见。病变在肺内蔓延主要通过受累的支气管播散。③病程较长,随着机体免疫反应和变态反应的消长,临床经过常呈波浪起伏状,时好时坏,病变有时以增生性变化为主,有时则以渗出、坏死变化为主,常为新旧病变交杂。
因此,继发性肺结核病的病变和临床表现都比较复杂。根据其病变特点和临床经过可分为以下几种主要类型:
1.局灶型肺结核 病变多位于肺尖下2~4cm处,右肺较多。病灶可为一个或数个,一般约0.5~1cm大小,多数以增生性病变为主,也可为渗出性病变,中央发生干酪样坏死。如病人免疫力较强,病灶常发生纤维化、钙化而痊愈。临床上病人常无明显自觉症状,多在体检时发现,属无活动性肺结核一类。如病人免疫力降低时,可发展成为浸润型肺结核。
2.浸润型肺结核是临床上最常见的一种类型,属于活动性肺结核。大多是局灶型肺结核发展的结果,少数也可一开始即为浸润型肺结核。病变中央常有较小的干酪样坏死区,周围有广阔的病灶周围炎包绕。镜下,肺泡内充满浆液、单核细胞、淋巴细胞和少数中性粒细胞,病灶中央常发生干酪样坏死。病人常有低热、盗汗、食欲不振、全身无力等中毒症状和咳嗽、咯血等。痰中常可查出结核杆菌。如能早期适当治疗,一般多在半年左右可完全吸收或部分吸收,部分变为增生性病变,最后,可通过纤维化、包裹和钙化而痊愈。
如病人免疫力差或未及时得到适当治疗,病变可继续发展,干酪样坏死灶扩大(浸润进展期)。坏死物质液化经支气管排出后形成急性空洞,洞壁粗糙不整,内壁坏死层中有大量结核杆菌,坏死层外可有薄层结核性肉芽组织包绕。从空洞中不断向外排出含菌的液化坏死物质,可经支气管播散,引起干酪样肺炎(溶解播散)。如靠近肺膜的空洞穿破肺膜,可造成自发性气胸;如果大量液化坏死物质进入胸腔,可发生结核性脓气胸。急性空洞一般较易愈合,如能给以及时和强有力的抗结核治疗,这种空洞可通过洞壁肉芽组织增生而逐渐缩小,最终形成瘢痕而治愈,或通过空洞塌陷,形成索状瘢痕愈合。若急性空洞经久不愈,则可发展为慢性纤维空洞型肺结核。
3.慢性纤维空洞型肺结核为成人慢性肺结核的常见类型,多在浸润型肺结核形成急性空洞的基础上发展而来。病变特点是在肺内有一个或多个厚壁空洞形成。同时在同侧肺组织,有时也可在对侧肺组织,特别是肺下叶可见由支气管播散引起的很多新旧不一、大小不等、病变类型不同的病灶,部位愈下病变愈新鲜。空洞多位于肺上叶,大小不一,呈不规则形,洞壁厚,有时可达1cm以上。洞内常见残存的梁柱状组织,多为有血栓形成并已机化闭塞的血管。空洞附近肺组织有显著纤维组织增生和肺膜增厚(图18-8)。镜下,洞壁分三层:内层为干酪样坏死物质,其中有大量结核杆菌;中层为结核性肉芽组织;外层为增生的纤维组织。由于病情迁延,病变广泛,新旧不等,肺组织遭到严重破坏,可导致肺组织的广泛纤维化,最终演变为硬化型肺结核,使肺体积缩小、变形、变硬、肺膜广泛增厚并与胸壁粘连,可严重影响肺功能。

图18-8 慢性纤维空洞型肺结核病(冠状切面)
右上叶,左上叶上部和左下叶上部都有厚壁空洞形成;肺门淋巴结无结核病变
临床上,病程常历时多年,时好时坏。症状的有无与病变的好转或恶化相关。由于空洞与支气管相通,成为结核病的传染源,故此型有开放性肺结核之称。如空洞壁的干酪样坏死侵蚀较大血管,可引起大咯血,严重者可危及生命,病人多因吸入大量血液而窒息死亡。如空洞穿破胸膜可引起气胸或脓气胸。经常排出含菌痰液可引起喉结核。咽下含菌痰液可引起肠结核。肺广泛纤维化还可导致肺动脉高压,引起肺源性心脏病。
较小的结核空洞经过适当治疗可发生瘢痕愈合。较大的空洞经治疗后,洞壁坏死物质脱落净化,洞壁结核性肉芽组织逐渐转变为纤维瘢痕组织,与空洞邻接的支气管上皮增生并向空洞内伸延,覆盖于空洞内面。此时空洞虽仍存在,但已属愈合。空洞的这种愈合方式称为开发性愈合。
4.干酪样肺炎此种肺炎发生在机体免疫力极低,对结核菌的变态反应过高之病人,可由浸润型肺结核恶化进展而来,或由急、慢性空洞内的细菌经支气管播散所致。按病变范围大小的不同而分为小叶性和大叶性干酪样肺炎。后者可累及一个肺叶或几个肺叶。肉眼观,肺叶肿大变实,切面呈黄色干酪样,坏死物质液化排出后可见有急性空洞形成(图18-9)。镜下,肺泡腔内有大量浆液纤维素性渗出物,内含主为巨噬细胞的炎性细胞,且见广泛的干酪样坏死。抗酸染色可查见大量结核菌。此型结核病情危重,目前已很少见。

图18-9 干酪样肺炎
左肺下叶广泛性干酪化,肿大变实,数处形成边缘参差不齐的急性空洞。上叶亦被波及
5.结核球 又称结核瘤(tuberculoma),是孤立的有纤维包裹、境界分明的球形干酪样坏死灶,直径约2~5cm(图18-10)。多为一个,有时多个,常位于肺上叶。由于抗结核药物的广泛应用,结核球有明显增多的趋势。结核球可由浸润型肺结核转向痊愈时,干酪样坏死灶发生纤维包裹形成;亦可因结核空洞的引流支气管阻塞后,空洞由干酪样坏死物质填满而成;或由多个结核病灶融合而成。结核球为相对静止的病变,可保持多年而无进展,或发生部分机化和钙化而转向愈合,临床上多无症状。但亦可恶化进展,表现为干酪样坏死灶扩大、液化、溃破包膜、形成空洞和经支气管播散。因结核球干酪样坏死灶较大,周围又有纤维包裹,药物不易发挥作用,所以临床上多采取手术切除。

图18-10 肺结核球
为纤维包裹境界分明略呈同心圆层状的干酪样坏死灶
6.结核性胸膜炎在原发性和继发性肺结核病的各个时期均可发生,按病变性质可分为渗出性和增生性两种。
(1)渗出性结核性胸膜炎:较常见,大多发生于原发性肺结核病的过程中,且大多发生于原发综合征同侧胸膜。由肺原发灶或肺门淋巴结病灶中的结核菌播散至胸膜所引起,或为弥散在胸膜之结核菌体蛋白引起的过敏反应。患者多为较大的儿童或青年。病变主要表现为浆液纤维素性炎。浆液渗出量多时则引起胸腔积液,也可为血性胸水。当积液量不多,附有纤维素之胸膜壁层和脏层在呼吸时发生摩擦,可听到摩擦音。胸腔积液明显时,叩诊呈浊音,听诊时语颤和呼吸音减弱,并有肺受压及纵隔移位等体征。经积极治疗,一般可在1~2月后完全吸收而痊愈。如渗出物中纤维素较多,则可因发生机化而使胸膜增厚和粘连。
(2)增生性结核性胸膜炎:是由肺膜下结核病灶直接蔓延至胸膜所致。常发生于肺尖,多为局限性。病变以增生性变化为主,很少有胸腔积液。一般可通过纤维化而痊愈,并常使局部胸膜增厚、粘连。
肺外器官结核病除淋巴结结核是由淋巴道播散所致、消化道结核可由咽下含菌的食物或痰液直接感染引起、皮肤结核可通过损伤的皮肤感染外,其他各器官的结核病多为原发性肺结核病血源播散所形成的潜伏病灶进一步发展的结果。肺外病变多数只限于一个器官内,常见有肠、腹膜、肾、生殖系、脑膜、骨关节等脏器,多呈慢性经过。
(一)肠结核病
肠结核病可分为原发性和继发性两型。原发性肠结核病很少见,常发生于小儿,一般是因饮用带有结核菌的牛奶而感染,并形成与原发性肺结核相同的原发综合征(肠的原发性结核性溃疡、结核性淋巴管炎及肠系膜淋巴结炎)。绝大多数肠结核继发于活动性空洞型肺结核病,因反复咽下含结核菌的痰液而引起。肠结核可发生于任何肠段,而以回盲部为其好发部位(约占85%),这是因为该段淋巴组织最为丰富,结核杆菌易于通过肠壁淋巴组织侵入肠壁;加之食物停留在回盲部的时间较长,接触结核杆菌的机会较多;这些因素均增加了结核病在该区发病的机会。其他部位如空肠下段,回肠与结肠肝曲、脾曲等处也可发生结核病变。依其病变特点的不同可分为两型:
1.溃疡型结核菌侵入肠壁淋巴组织引起结核结节形成,以后结节逐渐融合并发生干酪样坏死,破溃后形成溃疡。由于细菌随肠壁环形淋巴管播散,因此典型的肠结核性溃疡多呈带状,其长径与肠轴垂直(图18-11)。溃疡边缘参差不齐,底部附有干酪样坏死物质,其下为结核性肉芽组织。在肠的浆膜面每见纤维素和多数灰白色结核结节,连接成串,这是结核性淋巴管炎所致。溃疡愈合后常因疤痕形成和收缩引起肠腔狭窄。临床上可有腹痛、腹泻、营养障碍和结核中毒症状。

图18-11 结核性肠溃疡
溃疡呈横带状(半环形),其长径与肠轴垂直
2.增生型较少见。特点为肠壁内有大量结核性肉芽组织形成和纤维组织显著增生,肠壁高度肥厚变硬、肠腔狭窄。粘膜可有浅在溃疡或息肉形成(图18-12)。临床上表现为慢性不完全低位肠梗阻。右下腹常可扪及包块,易误诊为肠癌。

图18-12 肠增生型结核
肠壁内有大量结核性肉芽组织和纤维组织显著增生,使肠壁高度肥厚变硬,肠腔狭窄
(二)结核性腹膜炎
结核性腹膜炎多见于青少年,通常所见之慢性结核性腹膜炎大多继发于溃疡型肠结核、肠系膜淋巴结结核或结核性输卵管炎。由腹膜外结核灶经血道播散至腹膜者少见。可分为干、湿两型,但通常所见多为混合型。
1.湿型 腹膜充血,其上密布无数结核结节(图18-13),一般无腹膜粘连现象,或仅限于少数区域。腹腔内积存大量腹水,多呈草黄色,亦可为血性。病人常有腹胀、腹痛、腹泻及中毒症状。

图18-13 结核性腹膜炎
腹膜上满布无数结核结节
2.干型其特点为腹膜上除见结核结节外尚有大量纤维素性渗出物,机化后引起腹腔器官,特别是肠管间、大网膜、肠系膜广泛紧密粘连。大网膜一般增厚、变硬和缩短。肠系膜也显著缩短。坏死严重者可在粘连的肠管之间或向腹外溃破形成瘘管。病人因肠粘连而出现慢性肠梗阻症状。腹上部可扪得一横行块状物,为收缩粘连的大网膜。并因腹膜增厚触诊时有柔韧感或橡皮样抗力。
(三)结核性脑膜炎
结核性脑膜炎以小儿多见,成人较少。主要由于结核杆菌经血道播散所致。在小儿往往是肺原发综合征血行播散的结果,故常为全身粟粒性结核病的一部分;在成人除肺结核病外,骨关节结核和泌尿生殖道结核病常是血源播散的根源。部分病例也可由于脑实质内的结核球液化溃破,大量结核菌进入蛛网膜下腔所致。
病理变化以脑底最明显。在脑桥、脚间池、视神经交叉及大脑外侧裂等处之蛛网膜下腔内,有多量灰黄色混浊胶冻样渗出物积聚。偶见比粟粒还小的灰白色结核结节(图18-14)。脑室脉络丛及室管膜有时也可有结核结节形成。镜下,蛛网膜下腔内炎性渗出物主要由浆液、纤维素、巨噬细胞、淋巴细胞组成,常有干酪样坏死,偶见典型结核结节形成。病变严重者可累及脑皮质而引起脑膜脑炎。病程较长则可发生闭塞性血管内膜炎,从而可引起多发性脑软化。未经适当治疗致病程迁延的病例,由于蛛网膜下腔渗出物的机化而发生蛛网膜粘连,可使第四脑室上中孔和外侧孔堵塞,引起脑积水。

图18-14 结核性脑膜炎
脑基底部脑膜增厚,有散在的结核结节
(四)泌尿生殖系统结核病
1.肾结核病 最常见于20~40岁。男性多于女性。多为单侧性、双侧性肾结核的发病率约为10%。病变开始于肾皮、髓质交界处或乳头体内。初为局灶性结核病变,病变继续扩大发展则发生干酪样坏死,破坏肾乳头而溃破入肾盂,成为结核性空洞。随着病变在肾内扩大蔓延,形成多数结核空洞,最后可使肾仅剩一空壳(图18-15)。由于液化的干酪样坏死物可随尿液下行,常使输尿管及膀胱感染。输尿管粘膜可发生溃疡和结核性肉芽组织形成,使管壁增厚、管腔狭窄,甚至阻塞,结果常引起肾盂积水或积脓。膀胱三角区往往最先受累,形成溃疡,以后可侵及整个膀胱,可引起膀胱壁纤维化,使膀胱容积缩小(膀胱挛缩)。膀胱的溃疡和纤维组织增生如影响到对侧的输尿管口,可使管口狭窄或失去正常的括约肌功能(关闭不全),造成对侧健肾引流不畅,最终可引起肾盂积水。结核菌也可逆行感染对侧肾。

图18-15 肾结核及输尿管结核
肾实质内多数干酪样坏死灶及空洞形成;输尿管壁增厚,粘膜有多数结核结节及浅表溃疡形成
临床上,可因肾实质破坏而出现血尿。液化之干酪样坏死物在排出时可形成脓尿,尿中可查见结核菌。此外尚有尿频、尿急和尿痛。最初,这些症状是由于脓尿刺激膀胱所致,后来则是由于膀胱出现继发性结核之故。
2.生殖系统结核病男性生殖系统的结核病和泌尿系统结核病有密切关系。结核菌经过尿道可感染精囊和前列腺,以后可蔓延到输精管、附睾,睾丸偶尔也可受累。经血源感染引起之生殖系统结核病较少见。大多数病人双侧同时或先后发病。病变器官有结核结节形成和干酪样坏死。男性生殖系统结核的症状主要由附睾结核引起,前列腺和精囊结核多无明显症状。病侧附睾逐渐肿大,轻微疼痛或无痛,可与阴囊壁粘连,溃破后可形成长期不愈的窦道。
女性生殖系统结核多由血道或淋巴道播散而来,也可来源于邻近器官结核病的直接蔓延,以输卵管结核最多见,为女性不孕的原因之一。其次为子宫内膜,卵巢;子宫颈又次之。
(五)骨与关节结核病
骨、关节结核病多由血源播散所致,常见于儿童和青少年,因骨发育旺盛时期骨内血管丰富,感染机会较多。骨结核多侵犯脊椎骨,指骨及长骨骨骺(股骨下端和胫骨上端)等处。在关节结核中以侵犯髋、膝、踝、肘等关节多见。外伤可为发病诱因。
1.骨结核病变常由松质骨内的小结核病灶开始,以后病变的发展可分两型:比较多见者为干酪样坏死型,主要表现为明显的干酪样坏死,破坏骨质而开成死骨。病变常累及骨周围的软组织,引起干酪样坏死和结核性肉芽组织形成。坏死物质液化后可在骨旁形成结核性脓肿,局部并无红、热、痛,故又有冷脓肿之称。穿破皮肤后可形成经久不愈的窦道。另一种为增生型,比较少见。主要形成结核性肉芽组织,病灶内之骨小梁渐被侵蚀、吸收和消失,但无明显的干酪样坏死和死骨形成。以后病灶可为结缔组织包裹而静止。
脊椎结核是骨结核中最常见者。多侵犯第10胸椎至第2腰椎,少数见于颈椎。病变起于椎体,常发生干酪样坏死,病变发展可破坏椎间盘和邻近椎体。由于病变椎体不能负重,发生塌陷而呈楔形,造成脊柱后凸畸形(驼背)(图18-16)。若病变穿破骨皮质,可侵犯周围软组织,干酪样坏死物液化后可在局部形成结核性脓肿,或沿筋膜间隙向下流注,在远隔部位形成“脓肿”。由于脊椎后凸和椎旁结核性肉芽组织或“脓肿”压迫脊髓,可引起截瘫。

图18-16 脊椎结核
椎体和椎间盘干酪样坏死,造成椎体塌陷及后凸畸形
2.关节结核多继发于骨结核,病变通常开始于骨骺或干骺端,发生干酪样坏死。当病变发展侵入关节软骨和滑膜时则成为关节结核。关节滑膜内有结核性肉芽组织形成,关节腔内有浆液、纤维素性渗出物。游离的纤维素凝块长期互相撞击可形成白色圆形或卵圆形小体,称为关节鼠。关节附近的软组织呈水肿和慢性炎症,故关节部明显肿胀。病变累及软组织和皮肤时,可形成窦道。关节结核痊愈时,关节腔常被大量纤维组织充填,造成关节强直,失去运动功能。
(六)淋巴结结核病
最常受累的是颈部、支气管和肠系膜淋巴结,尤以颈淋巴结结核(俗称瘰疬)最为多见。病菌可来自肺门淋巴结结核的播散,亦可来自口腔、咽喉部结核感染灶。淋巴结常成群受累,有结核结节形成和干酪样坏死。淋巴结逐渐肿大,最初各个淋巴结尚能分离,当炎症累及淋巴结周围组织时,则淋巴结彼此粘连,形成较大的包块。颈淋巴结结核干酪样坏死物液化后可穿破皮肤,在颈部形成多数经久不愈的窦道。