前列腺增生症(hyperplasia of prostate)又称前列腺肥大,多发生于50岁以上的老年人。其发病率依年龄增长而增加,70岁以上男性均有不同程度增生,但多数无症状。
【病因】
一般认为和体内雄激素及雌激素平衡失调有关。在正常情况下,雄激素主要促进前列腺上皮细胞的分泌,雌激素则主要促进前列腺间质结缔组织、平滑肌纤维和部分腺体增生。尿道周围部前列腺也称前列腺内区(包括尿道周围的中叶及部分侧叶,系由Müller管分化而来,此部分即所谓女性部),对雌激素敏感;而包膜下前列腺,也称前列腺外区(即所谓男性部)对雄激素敏感。在动物实验中给切除睾丸的大鼠注射雌激素,则前列腺增生;如同时注射雄激素或给未切除睾丸的动物注射雌激素均不形成前列腺增生。在人类,青春期阉割者不发生前列腺增生,所以雄激素的存在似乎是前列腺增生所必需的条件。人前列腺增生的原因可能和雄激素减少、雌激素相对增高的平衡失调有关。
【病变】
肉眼观,正常前列腺约栗子大,重约20g,增生的前列腺可达正常的2~4倍,甚至可达100g以上。切面见增生多发生于尿道两侧与后侧,或偶见只限于尿道后侧,将尿道压迫成一裂隙,并在膀胱的尿道开口处向膀胱内凸出(图14-2)。增大部的前列腺呈结节状,一般直径在0.5~2cm,灰白色,有纵横交错的条纹,其间夹杂有蜂窝状小孔,或小囊腔。切面的形态和增生的成分有关,如纤维、肌肉组织增生较显著时,则质地较实韧;如腺体增生较显著,则呈白色或灰黄色蜂窝状或囊性结构,用手指压迫时可有较多白色混浊的分泌物溢出于切面上。增生周围的前列腺组织被压迫而形成一假性包膜,所以能将增生的结节剥离出来。

图14-2 前列腺增生症
前列腺明显肿大,压迫膀胱颈部,且部分突入膀胱三角区;膀胱扩张肥厚,粘膜面可见代偿肥大的平滑肌条索呈梁状
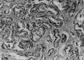
镜下,可见前列腺的腺体、平滑肌和纤维结缔组织呈不同程度增生(图14-3)。一般认为前列腺增生是先在尿道两侧的粘膜下,纤维及平滑肌增生,形成多数的小结节状,以后腺体也相继增生,夹杂于增生的平滑肌与纤维组织之间而逐渐形成大小不等的、由纤维及肌组织包绕的腺体结节。增生的腺体腺泡数目增多,体积也呈不同程度扩大。上皮细胞呈柱状或立方形,核位于基底部,也可形成乳头状突入腺泡腔内。腺泡腔内有分泌物及脱落的上皮细胞,偶可见淀粉样小体。纤维及平滑肌细胞肥大、增生,包绕或穿插于增生的腺体之间,形成宽窄不一的间隔。间质中可见多少不等的淋巴细胞浸润。
前列腺增生常引起排尿障碍和继发感染,约有半数患者需要进行治疗才能解除痛苦。

图14-3 前列腺增生
腺体平滑肌和纤维组织均呈明显增生,有些形成乳头状突入腺泡腔内,有些腔内含有分泌物
前列腺癌(carcinoma of prostate)多发生于60岁以上的老年人,在我国远较欧美国家少见。美国报告前列腺癌的死亡率占恶性肿瘤死亡率的第二位,在我国前列腺癌的发生率只占恶性肿瘤的0.3%左右。
【病因】
前列腺癌的病因尚不十分清楚,一般认为激素特别是雄激素可能起重要作用。长期以来各家对前列腺癌与前列腺增生之间的关系看法不一。目前大多数学者认为两者间无明显关系,因为前列腺癌很少发生于良性增生的前列腺内。在组织发生上增生与癌的发生部位也不相同,前列腺增生多发生于尿道周围部的前列腺组织(即前列腺内区);而前列腺癌几乎都开始发生于前列腺的包膜下部(即前列腺外区),该部组织对雄激素敏感,高水平的雄激素可使该部增生。据统计,阉人不发生前列腺癌,这些都支持雄激素和前列腺癌有关。但前列腺癌患者多为老年人,睾丸产生的雄激素已经降低,所以仍有不支持此说的根据。有人假设前列腺癌发展很慢,可以长期处在潜伏状态,可能在雄激素尚处于较高水平时即已发生小的癌灶,发展到老年才出现症状,这一假设尚有待进一步验证。
【病变】
肉眼观,前列腺癌初期为单个或多数的硬结节,其前列腺可以增大,也可正常大小。早期病灶几乎都发生于包膜下,其中大多数发生于后叶,其次是两侧及前叶的包膜下,而发生于中叶者极为少见。晚期肿瘤可扩展到全部前列腺,使前列腺明显增大而质地变硬。切面灰白色夹杂以多少不等的纤维性条纹或间隔,也可呈均质性夹以不规则的黄色区域。
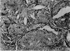
镜下,97%的前列腺癌均为腺癌,少数为移行细胞癌和鳞状细胞癌。依其分化程度可分为高分化、中分化和低分化3型。高分化前列腺癌最多见,癌细胞排列成大小不等的腺样结构,颇似前列腺增生腺体,但癌细胞体积较小,核较深染,上皮细胞往往呈多层排列并较不规则(图14-4),有时可呈乳头状腺癌或腺泡腺癌结构,并常可见癌组织向间质浸润生长;中分化腺癌全部或部分呈腺样结构,但腺体排列较紊乱,核异型性较明显,且有时形成筛状结构;低分化腺癌的癌细胞一般较小,排列成实体团块或条索,腺腔样结构很少(图14-5)。多数病例乃由上述多种组织结构混合组成。

图14-4 前列腺癌(高分化型)
腺体密集,癌细胞体积较小,核深染,上皮细胞呈多层排列并较不规则,可见间质浸润

图14-5 前列腺癌(低分化型)
癌细胞异型明显,并呈筛状结构
【转移及扩展】
前列腺癌的蔓延和转移与癌细胞分化程度有一定关系。高分化腺癌蔓延和转移较晚,可长期局限于前列腺内,预后较好。分化较差的腺癌可直接侵犯周围器官,如膀胱底、精囊腺、尿道等,但很少直接侵入直肠,因癌组织不易穿透直肠膀胱筋膜。前列腺癌的淋巴结转移比较常见,最常侵犯的淋巴结有髂内、髂外、腹主动脉旁、腹股沟等淋巴结,也可侵入胸导管、锁骨下淋巴结等处。血行转移可转移至骨、肺、肝等处,特别是腰椎、骨盆及肋骨的转移较常见。骨转移的途径有认为是经肺循环后再散布到全身的骨及肝组织,也有认为可经脊椎静脉丛直接转移至腰椎。
前列腺癌可分泌酸性磷酸酶,临床上常以此作为前列腺癌的一个检测指标。